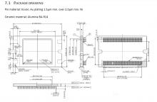
Create CNC milled plate to hold test pins for the sensor
plus one additional pin to make sure the orientation in the ZIF socket is correct located next to A30, this pin would form pin A31
Pins are 9083-0-00-15-00-00-38-0 Mill Max (sourced through digikey)
https://www.digikey.com/product-detail/en/mill-max-manufacturing-corp./9083-0-00-15-00-00-38-0/ED90413-ND/1991703
Material should be selected to not react with the Tin of the soldered PCB.
This part is meant to help produce a testpcb by holding the pins in the correct places when they are being soldered to the PCB.
